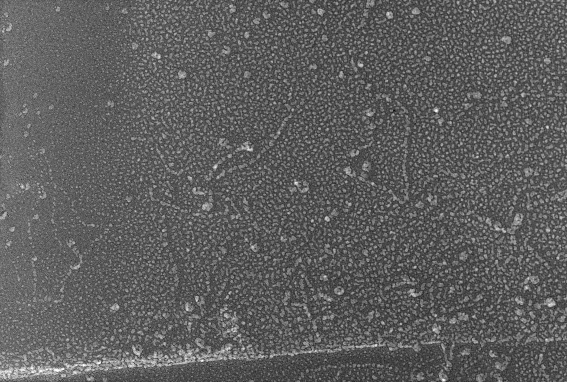
Purified rabbit skeletal muscle myosin in 0.6M KCl was adsorbed onto mica flakes, quick frozen by contact with a liquid helium-cooled copper block in a Heuser-type cryopress (Heuser JE, J. Mol.Biol. 1983. 169:155-195). The sample was freeze-fractured and deep-etched in a Balzers 400 freeze fracture device, and rotary-replicated in Pt-C at 11 degrees. This image was recorded at 150,000x in a JEOL 100CX2 transmission electron microscope operating at 100 kev, on Kodak 4489 film. The image was digitized using a Nikon Coolscan 9000ED scanner at 20 micron pixel size.
Biological Process: Skeletal muscle contraction
Author: Ip, Wallace
Source: The Cell: An Image Library